REMINGTON
Remington 11-87
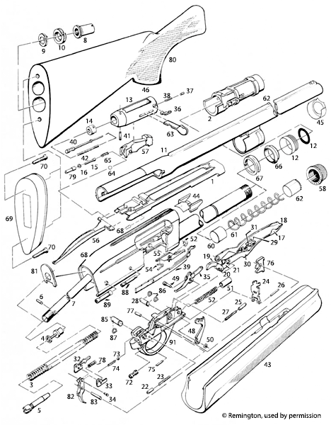
Schematic ID #116
Remington 11-87. Click on the numbers in the schematic to view available items. (See all gun schematics here)
Select a part
Factory Discontinued
The following items have been discontinued by the factory.
#{{part.number}} {{part.title}}
#{{schematicDetail.selected.number}} {{schematicDetail.selected.currentPart?.title}}
{{schematicDetail.pagination.availableTotalCount}} SKU(s) found
This item has been discontinued by the factory
SKU Listing
Sort by:
Also Suggested SKUs For {{product.suggestedPartTitle}} {{schematicDetail.pagination.suggestedTotalCount}} SKU(s) found
Viewing {{schematicDetail.products?.length}} of {{schematicDetail.pagination.total}} product(s)
There are no matching SKUs available
All Schematic images, drawings, artwork, and text are the property of Brownells, Inc. Process Patented USPTO# 7,437,319. US Patent No. 8,775,266. Additional Patents Pending.






